Студенческий портал

admin@studynote.ru
/ Регистрация
X
Все > Дипломные работы > Дипломные работы по машиностроению > Изготовление детали нефтяного оборудования
Изготовление детали нефтяного оборудования

Тема дипломной работы: Изготовление детали нефтяного оборудования

2500 ₽
Купить за 2500 ₽

или

Заказать новую работу

Более 20 способов оплатить! Сразу получаете ссылку на скачивание. Гарантия 3 дня. Исключительно для ознакомления!

Общая информация
Описание работы
Дополнительная информация

(фрагменты работы)

Общая информация
Учебное заведение: ПГТУ
Тип работы: Дипломные работы
Категория: Машиностроение
Год сдачи: 2024
Количество страниц: 70
Оценка: 5
Дата публикации: 23.11.2025
Количество просмотров: 62
Рейтинг работы:
Иллюстрация №1: Изготовление детали нефтяного оборудования (Дипломные работы - Машиностроение).
Описание работы

Технологический процесс изготовления детали - Свинцовая печать. Анализ конструкции детали, тип производства. Технологический процесс механической обработки

Дополнительная информация

(фрагменты работы)

1.1 Назначение и конструкция детали

Печати различных видов применяют для определения места и характера нарушения обсадной колоны, а также для получения информации о предмете, находящемся в скважине. Наибольшее распространение получили свинцовые печати. Печати свинцовые предназначены для получения на торцовой или боковой поверхности отпечатков предметов, находящихся в скважине.
Для определения характера слома бурильных труб и положения их в скважине применяют плоские печати. С помощью плоских печатей определяется также положение долота и металлических предметов, находящихся на забое.
Если вместо свинца используется другой материал, то его прикрепляют к деревянной пробке, установленной в корпус. Диаметр печати должен быть на 25 мм меньше диаметра скважины. Для получения отпечатка нагрузка на печать должна быть 15-50 кН.
При изготовлении торцовой и боковой печатей по всей поверхности перед заливкой свинцом или другим вяжущим материалом делают проволочную арматуру. Для получения отпечатков с внутренней поверхности обсадных и бурильных труб диаметром 146 и 168 мм применяют гидравлическую печать (ПГ).
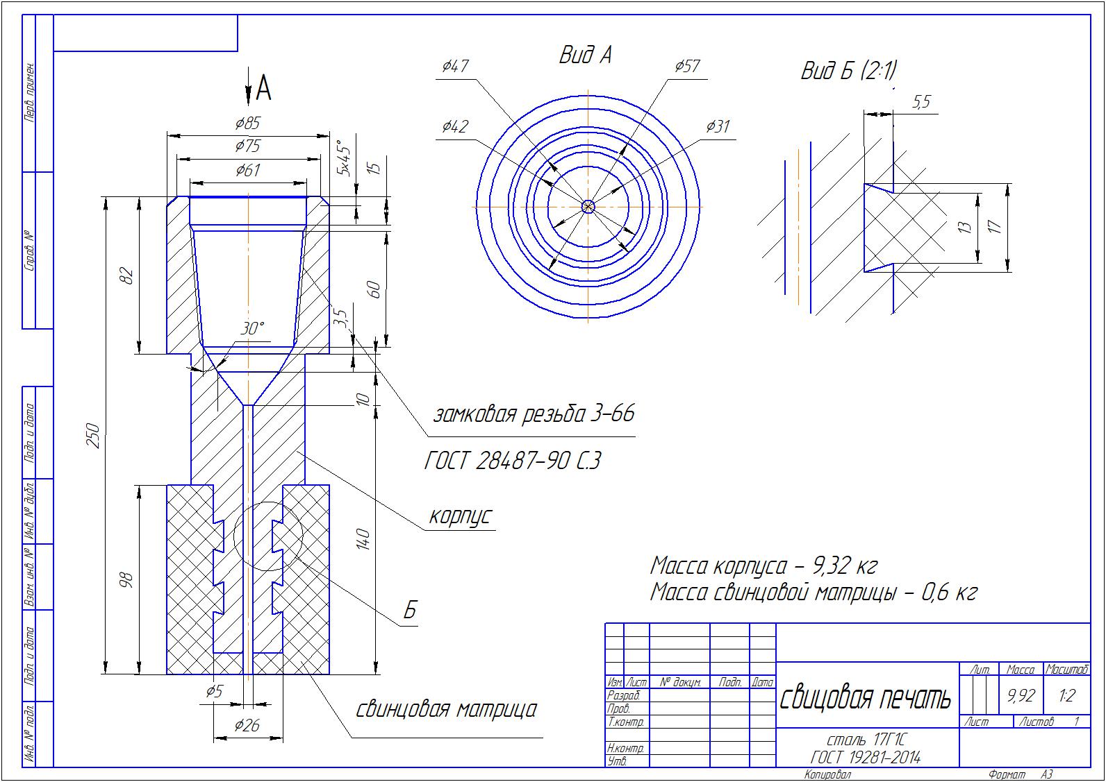
Деталь «Печать свинцовая» ПСТ-85 (Рис.1) состоит из присоединительной резьбы 3-66 ГОСТ28487-90 и вставки из мягкого свинца на нижнем торце, жестко закрепляемого в корпусе.

1.2 Анализ технологичности конструкции детали

Конструкция детали технологична, если она обеспечивает простое и экономичное изготовление детали с минимальными затратами и высокой производительностью. Технологичность детали оценивается для конкретных условий производства.
Существует два вида оценки технологичности конструкции:
• качественный;
• количественный.
Кроме того, технологичность может быть оценена дополнительными техническими показателями:
• коэффициентом использования материала;

• коэффициентом точности и шероховатости поверхностей.
Количественная оценка технологичности:
Для проведения количественного анализа рассмотрим следующие показатели технологичности: масса детали, коэффициент использования материала, коэффициент точности обработки, коэффициент шероховатости поверхностей.
По коэффициенту использования материала:
Ки.м.=mд/mз (1)
где mд – масса детали, кг;
mз – масса заготовки, кг .
Ки.м.= 9,92/ 12,4 = 0,8

Коэффициент точности обработки детали:

Кт=Тн/То (2)

где Тн – число размеров необоснованной степени точности обработки;
То – общее число размеров, подлежащих обработке.

Кт=0/8=0
В целом конструкция детали достаточно технологична, коэффициент использования материала достаточно высокий, характерный для использования штамповки, используемого в качестве метода получения заготовки.

1.3 Обоснование выбора материала детали

Сталь 17Г1С-У, согласно ГОСТ 19281-2014, относятся к сплавам повышенной прочности. предназначена для изготовления сортового, универсального широкополосного проката, различных профилей, возведения сварных, болтовых и клепаных металлоконструкций [8 с.16].

Массовая доля легирующих элементов в составе 17Г1С-У минимальна. Низколегированные стали могут применяться в производстве сварных элементов, работающих под давлением в широком диапазоне температур.
Области применения:
• Сварной и бесшовный трубопрокат для теплосетей и нефтегазопроводов;
• Фланцевые переходы, фасонные детали;
• Паровые котлы, установки атомных электростанций;
• Промышленное оборудование, элементы вагонов, автомобилей, спецтехники.
Преимущественно 17Г1С-У используют для сооружений и технологического оборудования на объектах с повышенным уровнем опасности.
Для контроля качества применяют анализ ковшовых проб на соответствие составу, проводят испытания на растяжение, изгиб, ударный изгиб и другие, в зависимости от назначения материала.
Описание стали 17Г1С-У
Конструкционная сталь не имеет ограничений по свариванию, применяется для строительных конструкций и для деталей, работающих в условиях высокого давления при температурах от -40⁰ до +475⁰.
Химический состав по ГОСТ 19281-2014:
• Углерод (С) – 0,15-0,2
• Кремний (Si) – 0,4-0,6
• Марганец (Mn) – 1,15-1,6
• Никель (Ni) – до 0,3
• Хром (Cr) – до 0,3
• Медь (Cu) – до 0,3
• Ванадий (V) – до 0,12
• Алюминий (Al) – 0,02-0,05
• Азот (N) – до 0,012
• Сера (S) – до 0,035
• Фосфор (P) – до 0,03
• Мышьяк (As) – до 0,08
Механические свойства
Временное сопротивление разрыву: 510-530 МПа;
• Предел текучести: 342-355 МПа;
• Удлинение при разрыве: 22-23%;
• Ударная вязкость: 390-440 кДж/м².
Показатели могут быть улучшены закалкой. 17Г1С-У можно обрабатывать резкой, сверловкой, дробеструями, на фрезерных и токарных станках. Сплав применяют для производства фланцевых дисков, отводов и других деталей трубопроводов для теплосетей, нефтяной и газовой промышленности и теплообменного оборудования.

Купить за 2500 ₽

Похожие работы

Работы автора